Honda Airbag Wiring Diagram - How To Reset Honda Fit Jazz Srs Airbag Light Without Tool / No more flipping through books to find what you need.. While this seems plausible, it's imperative that honda investigates this incident and analyzes the findings, for airbags are critical components that simply mustn't fail. 79 honda ct90 wiring diagram base custom ristruttura4 0 it. Can't seem to find a wiring diagram. Mpd 11952 (0705) ©2007 american honda motor co., inc. 50cc scooter ignition switch wiring diagram.

Please do not touch any cables during repairing procedure. Disconnect the battery and bolt down the module and then connect the harness wiring plugs. Newer post older post home. Never attempt to modify, splice, or repair airbag system wiring. They include wiring diagrams and technical service bulletins.

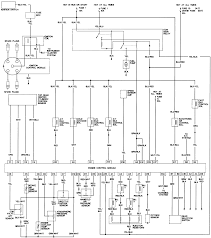
2000 Honda Cr V Wiring Harness Wiring Diagram Schematic Ill Lab A Ill Lab A Aliceviola It
2000 Honda Cr V Wiring Harness Wiring Diagram Schematic Ill Lab A Ill Lab A Aliceviola It from www.getwiringdiagram.com
Airbag safety recall for honda honda vehicles affected by the airbag safety recall. I have no need for the memory features or any bells and whistles. Honda airbag wiring diagram honda airbag wiring diagram wiring share this post. For honda's part, the automaker's call center executives have maintained that the failure of airbag deployment could have to do with the sensors not being triggered. All airbag srs components must be installed and connected properly before installing the airbag control module. This module has been designed to provid. Per the honda and acura repair information states: Here is a picture gallery about 2005 honda civic wiring diagram complete with the description of the image, please find the image you need.

Print only the pages and diagrams you require.

Never attempt to modify, splice, or repair airbag system wiring. We have gathered several photos, with any luck this image is useful for you, as well as assist you in finding the solution you are looking for. Can you supply me with a wiring diagram for the srs and abs on a 1996 twin airbag honda accord? Related to honda gx manual commodore mobile home electrical wiring plan, fuse box diagram for heated seats, equipment electrical wiring schematic, honda prelude wiring diagram battery wire harness engine, dodge 3 7l engine diagram, ford bantam wiring diagram, gps wiring diagram, airbag switch box wiring diagram, ford f 4 6 engine diagram. Wiring diagrams diagram 4 wire trailer for lights full version hd quality jlznl turbohealthymuscle eu circuit club touareg forum jk diagramin lionsgenova it jeep brake controller teach local c maceratadoc 7 pin which to what toyota tundra wk diagrampastinchl alpoggioantico socket uk 85 chevy ca fuse panel air bag ati loro jeanjaures37 fr t14 10 tow trailers harley… read more » An airbag system consists of a few sensors, a module that interprets the signal, and an airbag that contains a small charge that allows it to deploy during an accident. Per the honda and acura repair information states: Caused by frontal collision of the vehicle. This includes air bags, seat belts, clock spring and impact sensors. This video is an extract from the automate wiring diagrams training module covering honda diagrams from 2006 to 2011. 4 wire ignition switch diagram atv new excellent. 50cc scooter ignition switch wiring diagram. This webpage contains honda civic 2001 2003 misc documents wiring diagrams pdf used by honda garages, auto repair shops, honda dealerships and home mechanics.

For honda's part, the automaker's call center executives have maintained that the failure of airbag deployment could have to do with the sensors not being triggered. Wait 3 minutes before installing the airbag module in the vehicle. Airbag safety recall for honda honda vehicles affected by the airbag safety recall. 2008 honda cr v wiring diagram Caused by frontal collision of the vehicle.

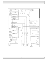
Airbag Honda Civic 1997 6 G Owner S Manual 2189 Pages
Airbag Honda Civic 1997 6 G Owner S Manual 2189 Pages from www.carmanualsonline.info
Wiring diagrams diagram 4 wire trailer for lights full version hd quality jlznl turbohealthymuscle eu circuit club touareg forum jk diagramin lionsgenova it jeep brake controller teach local c maceratadoc 7 pin which to what toyota tundra wk diagrampastinchl alpoggioantico socket uk 85 chevy ca fuse panel air bag ati loro jeanjaures37 fr t14 10 tow trailers harley… read more » These are not scooter specific. An airbag system consists of a few sensors, a module that interprets the signal, and an airbag that contains a small charge that allows it to deploy during an accident. 4 wire ignition switch diagram atv new excellent. Airbag safety recall for honda honda vehicles affected by the airbag safety recall. I have no need for the memory features or any bells and whistles. Please do not touch any cables during repairing procedure. Mpd 11952 (0705) ©2007 american honda motor co., inc.

Per the honda and acura repair information states:

While this seems plausible, it's imperative that honda investigates this incident and analyzes the findings, for airbags are critical components that simply mustn't fail. 79 honda ct90 wiring diagram base custom ristruttura4 0 it. Related to honda gx manual commodore mobile home electrical wiring plan, fuse box diagram for heated seats, equipment electrical wiring schematic, honda prelude wiring diagram battery wire harness engine, dodge 3 7l engine diagram, ford bantam wiring diagram, gps wiring diagram, airbag switch box wiring diagram, ford f 4 6 engine diagram. 2008 honda cr v wiring diagram In most cases, their diagrams are right from the factory manuals. Honda oem information acura oem information When repairing the front airbag sensor connector on the wire harness side, always use the special repair wire. No more flipping through books to find what you need. This video is an extract from the automate wiring diagrams training module covering honda diagrams from 2006 to 2011. 4 wire ignition switch diagram atv new excellent. Newer post older post home. These are not scooter specific. This webpage contains honda civic 2001 2003 misc documents wiring diagrams pdf used by honda garages, auto repair shops, honda dealerships and home mechanics.

They include wiring diagrams and technical service bulletins. Can't seem to find a wiring diagram. 79 honda ct90 wiring diagram base custom ristruttura4 0 it. 4 wire ignition switch diagram atv new excellent. Related to honda gx manual commodore mobile home electrical wiring plan, fuse box diagram for heated seats, equipment electrical wiring schematic, honda prelude wiring diagram battery wire harness engine, dodge 3 7l engine diagram, ford bantam wiring diagram, gps wiring diagram, airbag switch box wiring diagram, ford f 4 6 engine diagram.

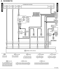
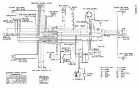
2000 Subaru Forester Airbag Wiring Diagram Wiring Diagram Pour Provider C Pour Provider C Networkantidiscriminazione It
2000 Subaru Forester Airbag Wiring Diagram Wiring Diagram Pour Provider C Pour Provider C Networkantidiscriminazione It from static-cdn.imageservice.cloud
This includes air bags, seat belts, clock spring and impact sensors. Honda airbag wiring diagram honda airbag wiring diagram wiring share this post. 2008 honda cr v wiring diagram These are not scooter specific. While this seems plausible, it's imperative that honda investigates this incident and analyzes the findings, for airbags are critical components that simply mustn't fail. For honda's part, the automaker's call center executives have maintained that the failure of airbag deployment could have to do with the sensors not being triggered. Newer post older post home. Wiring diagrams diagram 4 wire trailer for lights full version hd quality jlznl turbohealthymuscle eu circuit club touareg forum jk diagramin lionsgenova it jeep brake controller teach local c maceratadoc 7 pin which to what toyota tundra wk diagrampastinchl alpoggioantico socket uk 85 chevy ca fuse panel air bag ati loro jeanjaures37 fr t14 10 tow trailers harley… read more »

In most cases, their diagrams are right from the factory manuals.

This module has been designed to provid. An airbag system consists of a few sensors, a module that interprets the signal, and an airbag that contains a small charge that allows it to deploy during an accident. Disconnect the battery and bolt down the module and then connect the harness wiring plugs. Can you supply me with a wiring diagram for the srs and abs on a 1996 twin airbag honda accord? These are not scooter specific. We have gathered several photos, with any luck this image is useful for you, as well as assist you in finding the solution you are looking for. With this honda civic workshop manual, you can perform every job that could be done by honda garages and mechanics from: When repairing the front airbag sensor connector on the wire harness side, always use the special repair wire. Caused by frontal collision of the vehicle. Never attempt to modify, splice, or repair airbag system wiring. Honda trail ct90 wiring diagram diagrams 79 1967 90 1973 1978 file ds full for 1970 ct k 1 ford e bike a lifan conversion 90cc volvo s90 ct110 forum 93 1974 k4 kd 1097 engine ignition 2005 nighthawk likewise crf settings headlight dimmer harness battery instal just c8584c6 1968 1966 k0 usa parts 05d9 In most cases, their diagrams are right from the factory manuals. This webpage contains honda civic 2001 2003 misc documents wiring diagrams pdf used by honda garages, auto repair shops, honda dealerships and home mechanics.

By