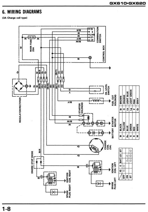
Honda Gx630 Wiring Diagram / Honda Engines GX630 QWD ENGINE, JPN, VIN# GCBBK-1000001 TO ... / General purpose engine gx630r • gx660r gx690r parts catalog first edition june, 2009 american honda motor co., inc.. Wiring diagrams 2.7 a charge coil and with control box type. 10z9ea01p (paper version) ©2009 american honda motor co., inc. Horsepower and torque, cylinder compression, valve clearance, oil type and capacity, service data and torque specs. The honda gx630, gx660, and gx690 engines meet u.s. This manual should be considered a permanent part of the engine and should remain with the engine if resold.

405 mm (15.9 in) v type: Environmental protection agency and the california air resources board regulations when fitted with a certified fuel delivery system and either a honda genuine muffler or a certified muffler. Ñïàñèáî çà ïîêóïêó äâèãàòåëÿ honda! Dimensions and weights specifications (1) model gx630 gx630r gx660 gx660r gx690 gx690r overall length q type: This manual should be considered a permanent part of the engine and should remain with the engine if resold.

Honda GX630 GX660 GX690 Engine Service Repair Shop Manual ...
Honda GX630 GX660 GX690 Engine Service Repair Shop Manual ... from images-na.ssl-images-amazon.com
 äàííîì ðóêîâîäñòâå èñïîëüçîâàíà íîâåéøàÿ íà ìîìåíò ïå÷àòè èíôîðìàöèÿ. General purpose engine gx630r • gx660r gx690r parts catalog first edition june, 2009 american honda motor co., inc. Due to various factors and design differences in today's. Honda gx630 wiring diagram wiring diagram 175124 amazing. 405 mm (15.9 in) v type: This manual should be considered a permanent part of the engine and should remain with the engine if resold. Safety information safety label location english warning label for eu except eu muffler caution label warning label 2 understand the operation of all controls and learn how to stop the engine quickly in case of emergency. Table of contents introduction grid / page • how to use this.

Horsepower and torque, cylinder compression, valve clearance, oil type and capacity, service data and torque specs.

General purpose engine gx630r • gx660r gx690r parts catalog first edition june, 2009 american honda motor co., inc. The honda gx630, gx660, and gx690 engines meet u.s. Ñïàñèáî çà ïîêóïêó äâèãàòåëÿ honda! Äàííàÿ èíñòðóêöèÿ îïèñûâàåò ýêñïëóàòàöèþ è òåõíè÷åñêîå îáñëóæèâàíèå ñëåäóþùèõ ìîäåëåé äâèãàòåëÿ: Honda gx630 wiring diagram wiring diagram 175124 amazing. 800 x 692 jpeg 78 кб. 405 mm (15.9 in) v type: Benzinemotor met horizontale uitgaande as.  äàííîì ðóêîâîäñòâå èñïîëüçîâàíà íîâåéøàÿ íà ìîìåíò ïå÷àòè èíôîðìàöèÿ. Horsepower and torque, cylinder compression, valve clearance, oil type and capacity, service data and torque specs. 10z9ea01p (paper version) ©2009 american honda motor co., inc. Due to various factors and design differences in today's. 556 x 705 jpeg 70 кб.

Moteur à essence à arbre de prise de force horizontal benzinmotor mit horizontaler kurbelwelle motore a benzina ad albero orizzontale bensinmotor med horisontell axel. Honda gx630 ignition switch wiring schematic diagram 8. Ñïàñèáî çà ïîêóïêó äâèãàòåëÿ honda! 10z9ea01p (paper version) ©2009 american honda motor co., inc. Honda gx630 wiring diagram wiring diagram 175124 amazing.

Honda Gx630 Engine Wiring Diagram - All of Wiring Diagram
Honda Gx630 Engine Wiring Diagram - All of Wiring Diagram from lh3.googleusercontent.com
405 mm (15.9 in) v type: Wiring diagrams 2.7 a charge coil and with control box type. 10z9ea01p (paper version) ©2009 american honda motor co., inc. 556 x 705 jpeg 70 кб. Horsepower and torque, cylinder compression, valve clearance, oil type and capacity, service data and torque specs. General purpose engine gx630r • gx660r gx690r parts catalog first edition june, 2009 american honda motor co., inc. Table of contents introduction grid / page • how to use this. Dimensions and weights specifications (1) model gx630 gx630r gx660 gx660r gx690 gx690r overall length q type:

The honda gx630, gx660, and gx690 engines meet u.s.

Due to various factors and design differences in today's. Gx630 · gx660 · gx690. Ñïàñèáî çà ïîêóïêó äâèãàòåëÿ honda! 800 x 692 jpeg 78 кб. General purpose engine gx630r • gx660r gx690r parts catalog first edition june, 2009 american honda motor co., inc. Honda gx630 ignition switch wiring schematic diagram 8. Download or purchase honda engine owners' manuals for the gx630. Äàííàÿ èíñòðóêöèÿ îïèñûâàåò ýêñïëóàòàöèþ è òåõíè÷åñêîå îáñëóæèâàíèå ñëåäóþùèõ ìîäåëåé äâèãàòåëÿ: The honda gx630, gx660, and gx690 engines meet u.s. Horsepower and torque, cylinder compression, valve clearance, oil type and capacity, service data and torque specs. Dimensions and weights specifications (1) model gx630 gx630r gx660 gx660r gx690 gx690r overall length q type: 426 mm (16.8 in) s. Wiring diagrams 2.7 a charge coil and with control box type.

 äàííîì ðóêîâîäñòâå èñïîëüçîâàíà íîâåéøàÿ íà ìîìåíò ïå÷àòè èíôîðìàöèÿ. Moteur à essence à arbre de prise de force horizontal benzinmotor mit horizontaler kurbelwelle motore a benzina ad albero orizzontale bensinmotor med horisontell axel. Table of contents introduction grid / page • how to use this. 426 mm (16.8 in) s. Environmental protection agency and the california air resources board regulations when fitted with a certified fuel delivery system and either a honda genuine muffler or a certified muffler.

Honda Gx390 Electric Start Wiring Diagram | Wiring Diagram
Honda Gx390 Electric Start Wiring Diagram | Wiring Diagram from annawiringdiagram.com
Honda gx630 ignition switch wiring schematic diagram 8. Horsepower and torque, cylinder compression, valve clearance, oil type and capacity, service data and torque specs. Dimensions and weights specifications (1) model gx630 gx630r gx660 gx660r gx690 gx690r overall length q type: Wiring diagrams 2.7 a charge coil and with control box type. Environmental protection agency and the california air resources board regulations when fitted with a certified fuel delivery system and either a honda genuine muffler or a certified muffler. 10z9ea01p (paper version) ©2009 american honda motor co., inc. Äàííàÿ èíñòðóêöèÿ îïèñûâàåò ýêñïëóàòàöèþ è òåõíè÷åñêîå îáñëóæèâàíèå ñëåäóþùèõ ìîäåëåé äâèãàòåëÿ: The honda gx630, gx660, and gx690 engines meet u.s.

Horsepower and torque, cylinder compression, valve clearance, oil type and capacity, service data and torque specs.

General purpose engine gx630r • gx660r gx690r parts catalog first edition june, 2009 american honda motor co., inc. This manual should be considered a permanent part of the engine and should remain with the engine if resold. Honda gx630 wiring diagram wiring diagram 175124 amazing. Benzinemotor met horizontale uitgaande as. Download or purchase honda engine owners' manuals for the gx630. 10z9ea01p (paper version) ©2009 american honda motor co., inc. 405 mm (15.9 in) v type: Due to various factors and design differences in today's. Table of contents introduction grid / page • how to use this. 800 x 692 jpeg 78 кб. Horsepower and torque, cylinder compression, valve clearance, oil type and capacity, service data and torque specs. Äàííàÿ èíñòðóêöèÿ îïèñûâàåò ýêñïëóàòàöèþ è òåõíè÷åñêîå îáñëóæèâàíèå ñëåäóþùèõ ìîäåëåé äâèãàòåëÿ: Moteur à essence à arbre de prise de force horizontal benzinmotor mit horizontaler kurbelwelle motore a benzina ad albero orizzontale bensinmotor med horisontell axel.

By